糖心网站在线观看,糖心在线观看视频播放,糖心APP污污免费下载安装,糖心视频APP黄在线观看

      服务☆热线

      0571-8853-1747
      网站导航
      滤板和滤布
      当前位置: 首页 > 公司产品 > 滤板和滤布

      糖心网站在线观看B315-X1500型厢式板框式滤板参数图

      产品时间:2024-10-23 09:44:48

      简要描述:

      厢式板框式糖心在线观看视频播放滤板糖心在线观看视频播放滤板是糖心在线观看视频播放的主要过滤元件,滤板材质形式以及质量的不同,会对整机的过滤性能产生不同的影响。其精料径,滤点的分布及其出水通道,对不同物料

      详细介绍

      undefined

      厢式板框式糖心在线观看视频播放滤板

      糖心在线观看视频播放滤板是糖心在线观看视频播放的主要过滤元件,滤板材质形式以及质量的不同,会对整机的过滤性能产生不同的影响。其精料径,滤点的分布及其出水通道,对不同物料有不同的设计方案。本公司加工滤板材质为TPE弹性体及PP,使滤板既有橡胶滤板的弹性,又有PP滤板的韧性,刚性,使滤板压紧时密封性能好。

      糖心在线观看视频播放滤板在设计方面,吸取国外好的过滤特点,通过合理的滤点排布,过滤面支撑点排布,流道设计,排液孔开孔角度等综合性设计,使滤板过滤过程中进水流速度快,对滤板冲击小,滤料分布均匀,从而增加过滤速度,增强了洗涤效果,延长了滤板使用寿命。

      X800嵌入式滤板.jpg

      糖心在线观看视频播放滤板材质选用优质的无碱玻纤PP,既有橡胶滤板的弹性,又具有pp滤板的韧性及刚性。经1600吨压力模压成形。在经压板机校形,数控平面及钻孔修边等工艺加工而成,滤板的平面度达25UM一下,密封性能好,避免进料时的漏液现象。
      糖心在线观看视频播放滤板材质配方为改性优质增强PP,经模压成型后经数控设备加工,表面平整,使糖心在线观看视频播放在过滤过程中不致 产生物料喷泄,滤板采用变截面设计,过滤部分结构采用梅花状锥形圆点结构,降低滤阻,过滤速度快,漏液出液顺畅,

      滤板滤布配件.png


      糖心在线观看视频播放滤板的制作方法
      新型所述的糖心在线观看视频播放滤板,涉及一种催化剂生产设备上的辅助配件,具体为挤压滤饼的糖心在线观看视频播放滤板。在滤板主体上加工有连接孔、凸柱及通孔;其特征在于在滤板主体的挤压面上还加工有滤凸;滤凸以阵列形式均布于及挤压面上。滤凸分为圆头锥形滤凸及圆柱形滤凸。圆头锥形滤凸与圆柱形滤凸间隔布局。两个相对的滤板主体的挤压面上的滤凸相对设置,为圆头锥形滤凸对应圆柱形滤凸设置。圆头锥形滤凸与圆柱形滤凸相对设置,圆头锥形滤凸的长于圆柱形滤凸,一个圆头锥形滤凸的长度小于两个两个圆柱形滤凸的长度。本实用新型具有结构新颖、加工简便、使用方便、增加了生产效率、保持了产品质量等特点,故属于一种集经济性与实用性为一体的新型糖心在线观看视频播放滤板。

      X800普通绿板.jpg

      在催化剂生产制造领域,经糖心在线观看视频播放压滤洗涤后的活性组分滤饼,通常用于同其他粉末助剂一起进行捏合,搅拌均匀后用于成型工艺。由于从糖心在线观看视频播放卸下的滤饼经吹榨后滤饼含水率仍较高,在30 90 %,厚度通常在2?5cm,且较为瓷实,在捏合过程中往往存在大块滤饼无法搅成小块的情况存在,搅拌时间过长不但大块滤饼不会破碎,反而滚成球状,如此使得物料混合不均匀,对催化剂成品活性、强度等多项指标造成严重影响。针对上述现有技术中所存在的问题,研究设计一种新型的糖心在线观看视频播放滤板,从而克服现有技术中所存在的问题。
      鉴于上述现有技术中所存在的问题,本实用新型的目的是研究设计一种新型的糖心在线观看视频播放滤板。用以在滤饼上挤压出规则的、易分割的断裂线,使滤饼易于破碎。

      厢式滤板系列.png

      将压滤后获取的整块滤饼破碎成小碎块的糖心在线观看视频播放滤板,在保有压滤洗涤效果的同时,解决了人工破碎滤饼的不均一和效率低问题。本发明该滤板的滤凸由圆头锥形滤凸和柱型滤凸间隔交错分布构成,且吹榨一块滤饼所使用的两块滤板,一面滤板的圆头锥形滤凸恰好同另一面滤板的柱型滤凸位置相对应,圆头锥形滤凸高于柱型滤凸,但长度适宜,不会顶到另一面的滤板,以免对另一面滤板造成损坏,这样使得压滤后的滤饼呈现均匀的点状薄厚不一,薄处极易断裂,在捏合过程中受到轻微碰撞用力即可破碎,易于进一步均匀搅拌捏合。

       附:杭州糖心网站在线观看糖心在线观看视频播放“B315-X1500型厢式板框式糖心在线观看视频播放“系列滤板的技术参数图:

      B315滤板.jpg

      B315滤框.jpg

      B420滤板.jpg

      B420滤框.jpg

      X420滤板.jpg

      X500(上)滤板.jpg

      X500(中)滤板.jpg

      X500滤板.jpg

      B630滤板.jpg

      B630滤框.jpg

      X630(上)滤板.jpg

      X630(中)滤板.jpg

      XG630隔膜板.jpg

      XG630隔膜配板.jpg

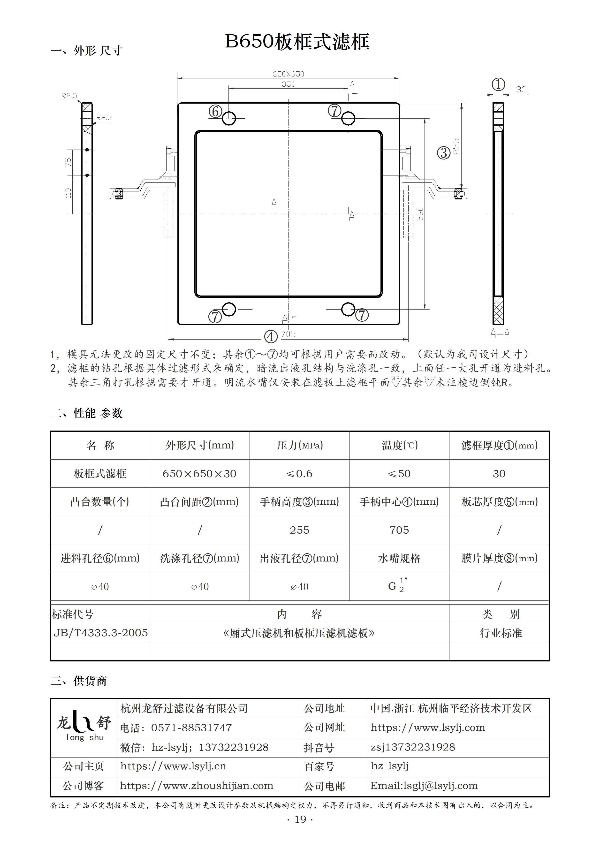
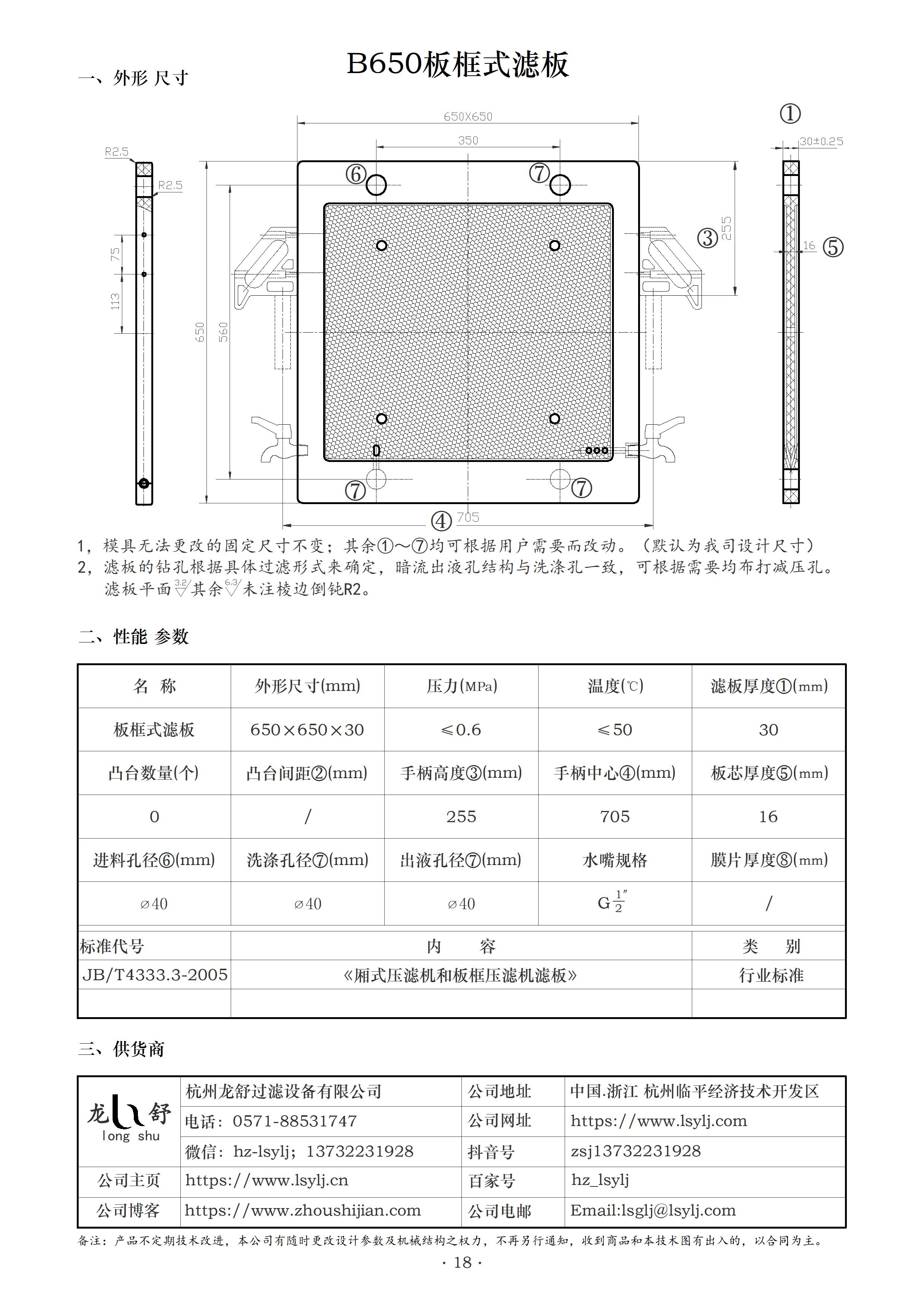
      B650滤板.jpg

      B650滤框.jpg

      B650铸铁滤板.jpg

      B650铸铁滤框.jpg

      X650滤板-1.jpg

      X650滤板-II.jpg

      B800滤板.jpg

      B800滤框.jpg

      X800滤板.jpg

      XG800隔膜板及配板.jpg

      B810滤板.jpg

      B810滤框.jpg

      X810滤板.jpg

      B870滤板.jpg

      B870滤框.jpg

      X870滤板.jpg

      XG870隔膜板及配板.jpg

      B920滤板.jpg

      B920滤框.jpg

      X920滤板.jpg

      XG920隔膜板.jpg

      B1000滤板.jpg

      B1000滤框.jpg

      X1000(角)滤板.jpg

      X1000(上)滤板.jpg

      X1000高压滤板.jpg

      X1000滤板.jpg

      XG1000隔膜及配板.jpg

      X1250滤板.jpg

      XG250隔膜及配板.jpg

      X1500滤板.jpg

      XG1500隔膜板.jpg

      XG1500隔膜配板.jpg

      X1600滤板.jpg

      XG1600隔膜板及配板.jpg

      X2000-I滤板.jpg

      X2000滤板.jpg

      声明一下:本网站上展示的产品仅用于工业上的污水固、液分离,由于产品的专业性和专用性,每件商品的具体性能和使用方法均不尽相同,页面上的描述仅供参考,并不适用于每个具体商品,您在决定购买之前,务必事前(老板电话13732231928)沟通。谢谢您的理解和支持!(本站仅用于产品展示,不接受线上交易)

       


      产品咨询

      留言框

      • 产品名称:

      • 留言内容:

      • 您的单位:

      • 您的姓名:

      • 联系电话:

      • 常用邮箱:

      • 详细地址:

      推荐产品

      Copyright © 2012-2026 杭州糖心网站在线观看过滤设备有限公司 版权所有  浙ICP备55406497号-7浙公网安备 33011302000424号

      地址:浙江省杭州市临平区临平经济技术开发区 万达广场5幢 电话:0571-8853-1747 邮箱:lsglj@lsylj.com;免责声明:网站产品描述若涉及到“极限词”则全部作废;凡访问者本公司均认为您已知晓、理解并已经同意声明。另,本网站功能仅作产品展示作用,不支持在线交易,如需购买相关产品,请联系我司销售部门,线下签合同,货款走公司账户,并开增值税专用发票,产品质量或功效均以合同约束为准。

      关注糖心网站在线观看

       

      码字不易,若有需要,请联系我!

      技术支持:137-3223-1928

      业务联系:0571-88531747

      联系人:周经理(微信hz-lsylj)

      ×
      网站地图